$2,121.00
    warranty 1 year
    Product Description
    Imada NLV-220 Vertical Lever Test Stand

    Force Gauge sold Separately
    2 Models for testing Tension or Compression

    220 Lb Capacity

    Capacity: 220 Lbs

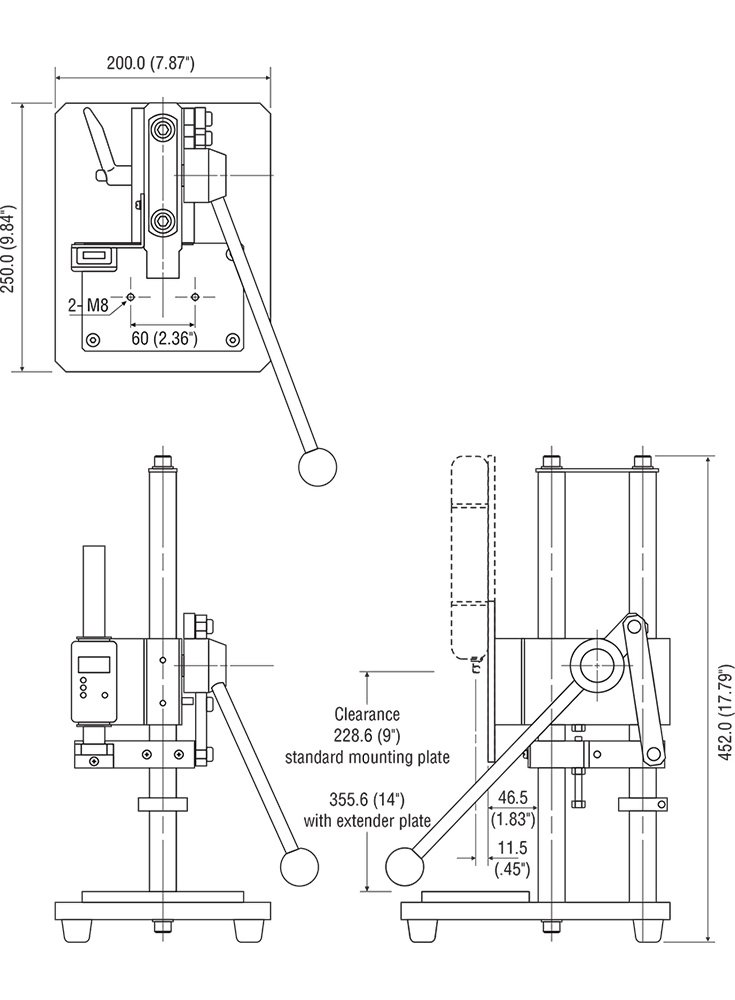
    Model Imada NLV-220 vertical manual lever test stands provide maximum versatility and reliability. Lever action provides quick, consistent testing. A pull down on the lever creates either compression or tension, depending on the model. A return spring resets the lever on compression models. The stands will accommodate any of the standard range force gauges and can be equipped with a precision digital distance meter. The optional extender plate increases clearance to 14" for larger samples. The Imada NLV-220 is perfect for compression and tension applications where rapid action is desired.

    Opional digital distance meter available.

    Features


    • Imada NLV-220-C Configured for compression. Pull the lever arm down and toward you and the gauge moves down to create compression.
    • Imada NLV-220-C-S Configured for compression and has a distance meter.
    • Imada NLV-220-T Configured for tension. Pull the lever arm down and toward you and the gauge moves up to create tension.
    • Imada NLV-220-T-S Configured for tension and has a distance met

    Specifications


    Capacity 220 Lbf (100 Kgf)
    Stroke 2"
    Maximum Clearance 9" (14" with optional extender plate)

    Related Products


    DS2
    Digital Force Gauge
    • Real time and peak mode (selectable)
    • lb, kg, and Newton units are push-button selectable
    related
    Click image for more info

    Copyright © 2026 Abq Industrial