Call for price
    warranty 1 year
    Product Description
    Hildebrand IRHD-XTCD X-Table Centering Device

    The Hildebrand IRHD-XTCD X-Table Centering Device works with our IRHD-MICRO hardness tester. This fixture is designed to measure small irregular parts. Two straight pins are used as rest positions for the sample. The sample can be easily fixed with modelling clay. The digital distance meter allows for precise measurement at the measuring axis (the highest point of the sample).

    Features


    • Custom designed sample holders are available
    • Sample holder is locked in place with a straight pin preventing any rotation
    • Connecting hole in base for sample holder: 8H7

    Specifications


    Dimensions260 mm x 140 mm x 70 mm
    Net Weight1.35 kg


    Distance Meter

    Measuring Range0-25mm
    Resolution0.001mm
    FunctionsOn/Off, mm/inch, HOLD, PRESET


    Sample Holder

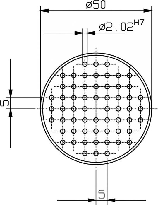
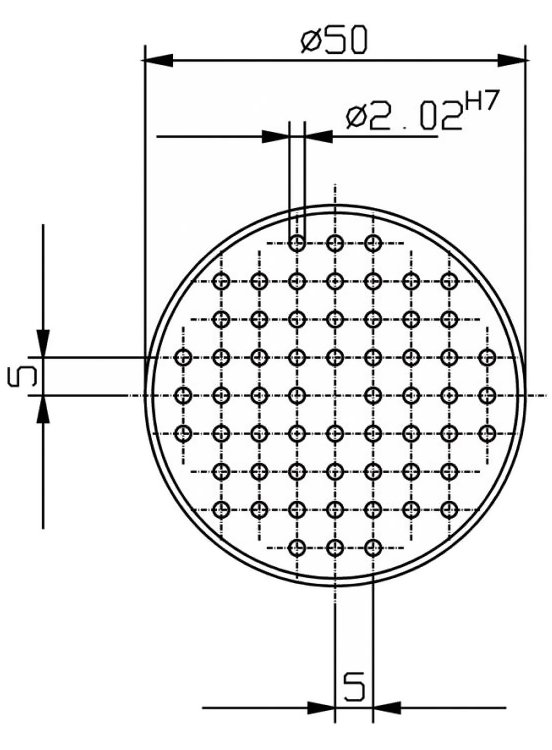
    Diameter50mm
    Matrix5mm x 5mm, 60 holes with a diameter of 2H7
    Pins2 straight pins included

    Related Products


    Hildebrand IRHD-MACRO
    Macro IRHD Hardness Tester

    • For testing according to ASTM D1415, DIN ISO 48, ISO 48 and DIN 53505
    related
    Click image for more info

    Hildebrand IRHD-MICRO
    IRHD Micro Hardness Tester

    • Measures according to DIN ISO 48, ISO 48, ASTM D 1415, BS 903: Part A26
    related
    Click image for more info
    related
    Click image for more info

    ADD TO CART THE ITEMS YOU WOULD LIKE TO PURCHASE
    MODELS
    Copyright © 2026 Abq Industrial