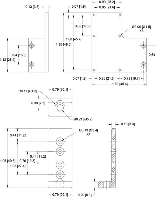
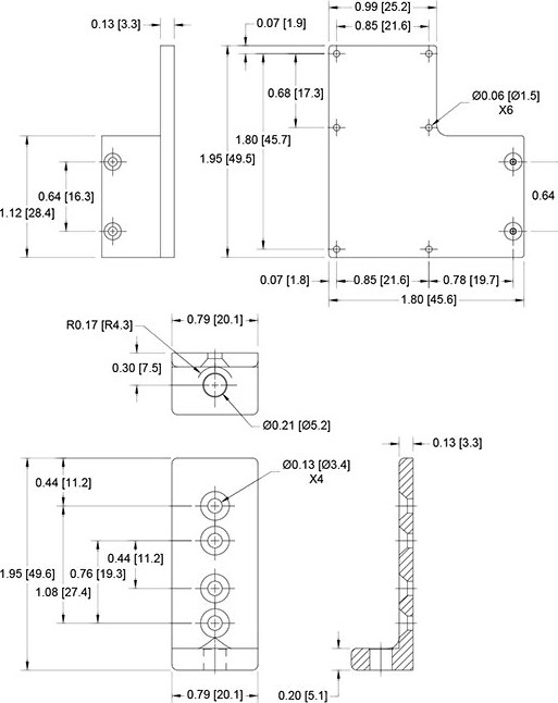
Checkline AC1062 force Indicator and Load Cell Mouting Kit for ESM303
$88.00 - $292.00


Copyright © 2026 Abq Industrial







