$5,362.00
    warranty 1 year
    Product Description
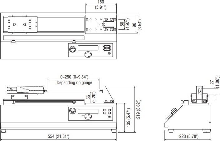
    Imada MH2-110 Horizontal Motorized Test Stand
    Force Gauge sold Separately
    110 lb Capacity
    Stroke: 9" (230mm)


    The Imada MH2-110 Horizontal Motorized Test Stands use maintenance-free, brushless, DC motors that provide smooth and powerful operation to ensure consistent force testing results. 

    Precise Increment Mode

    Imada MH2-110 features unique jog movement control, for precise increment testing. In jog mode, each click of the program dial moves the cross head approx. 0.01mm (standard speed, under no load). 

    Cycle Mode

    In cycle mode, automated fatigue tests are easy to setup. Press the unique program dial and turn, to make selections from the menu screens and set mode, speed, test duration, units and cycles. Set start and return speeds independently. 

    Force Control

    Force controlled non-destructive tests are also easy to setup and program. Connect a Z Series force gauge to the MH2 test stand to enable the following force controlled tests and Conditional Overload Prevention. 

    Maintain Force Between High/Low Setpoints

    Initial cross head speed is controlled by the start speed setting. Force control activates when applied force exceeds the low setpoint (and below the high setpoint) on the Z Series force gauge. The cross head maintains that force for the programmed interval and then uses return speed to reset for the next cycle. 

    Increase Force to High Setpoint and Stop

    Initial cross head speed is controlled by the start speed setting. When the applied force reaches the low set point on the Z Series force gauge, the test stand engages the measuring speed setting and stops when the applied force reaches the high set point on the Z series gauge. Ideal for non-destructive or creep testing. The cycle repeats until the counter limit is reached.

    Features


    • Selectable Manual, Increment, Single Cycle, Continuous Cycle and Force Control (with Z Series gauges)
    • Ultra rigid, .5 mm deflection at maximum load
    • Conditional Overload Prevention
    • Stroke: 9" (230mm)
    • Easy-to-use program dial and menu screens control mode, speed, timer, cycles
    • Programmable timer up to 99' 59.9 sec in 0.1 sec increments
    • Up to 65,535 cycles

    Speed Configurations


    ModelSpeed (mm)Capacity (lbf)
    MH2-110 (standard)10 ~ 300110
    MH2-110-V90050 ~ 90033
    MH2-110-V60020 ~ 60055
    MH2-110-V903 ~ 90110
    MH2-110-V451.5 ~ 45110

    FA Option


    MH2-110-FA test stands with incremental linear encoders record displacement in mm or inches on ZTA force gauges. Displacement can be reset to zero at a predetermined force. Optional Force Recorder software is available for force vs. displacement graphing.

    FA Specifications

    Range11.000" (280.00 mm)
    Resolution0.0001" (0.01 mm)
    Accuracy0.004" (0.1 mm)

    Digital Distance Meter


    Available with models MH2-110-S. Optional SW-1 data acquisition software is available

    Distance Meter Specifications

    DisplayPush button: inch/mm, zero, on/off)
    Resolution0.0005" (0.01 mm)
    Accuracy0.004" (0.1 mm)

    Related Products


    related
    Click image for more info

    ADD TO CART THE ITEMS YOU WOULD LIKE TO PURCHASE
    MODELS
    ACCESSORIES
    $259.00
    Copyright © 2026 Abq Industrial