Call for price
    warranty 1 year
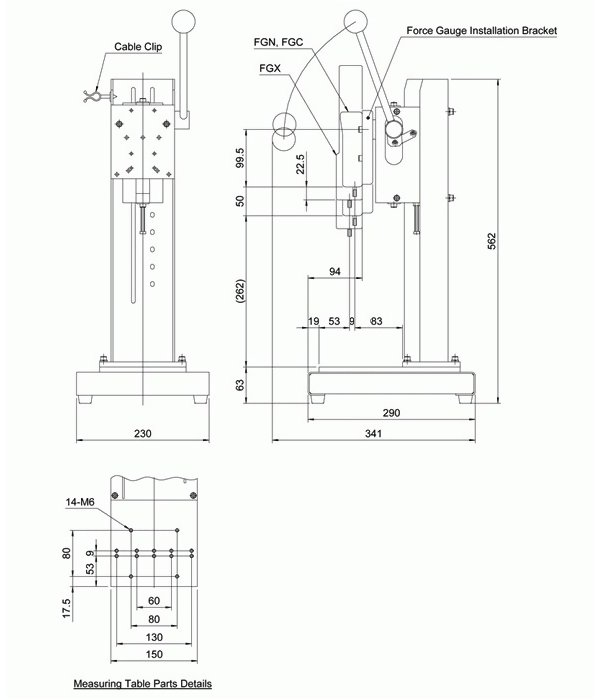
    Product Description

    Shimpo FGS-100L Manual Hand-lever Force Test Stand


    Capacity: 200 lb (100 kg)

    The Shimpo FGS-100L manual test stand offer the ability to obtain accurate, consistent results without the high cost of a motorized system. Our hand-lever operated test stands are ideal for rapid testing applications.

    The Shimpo FGS-100L manual hand-lever test stand has a 200 lb. (100 kg) capacity and can ensure accurate, consistent test results with the addition of a digital or mechanical force gauge.

    The FGS-100L stands are designed for precision, balance, and durability. Therefore they are perfectly suited for measuring a limitless range of materials such as, wire, spring, plastic, paper cord, tubing, glass and composites.

    Features


    • Versatile bottom mount mounting plate permits acceptance of both standard and custom-made attachments
    • Adjustable clearance setting enables testing on a wide range of samples
    • Precision gear movement provides a consistent linear motion that produces repetitively accurate results
    • Modular, compact design reduces footprint, weight and cost
    • Sturdy all steel construction allows exceptional durability and extended life of the product
    • Compatibility with many vendors' force gauges facilitates flexibility when replacing older test stands
    • Optional digital length meter added to stand creates deflection measurement testing for applications such as spring rate testing

    Specifications


    Capacity200 lb (100 kg)
    Stroke1.97" (50 mm)
    Vertical Clearance3.31" - 11.57" (84 - 294 mm) 8 steps, 1.18"/step (30 mm/step)
    Product Weight33 lb (15 kg)
    Warranty1 Year

    Related Products


    FGE
    Hand-held Digital Force Gauge

    • Display "real-time" or "peak" force
    • Accuracy ± 0.2%
    related
    Click image for more info
    FGV-XY
    Digital Force Gauge with USB Output

    • 1000 Hz Sample Rate captures true peak values even those occurring over very short time intervals
    • Accuracy of ±0.2% providing superb repeatability
    related
    Click image for more info

    Downloads


    Shimpo FGS-100L Manual Hand-lever Force Test Stand - Instruction Manual
    Shimpo FGS-100L Manual Hand-lever Force Test Stand - Data Sheet

    ADD TO CART THE ITEMS YOU WOULD LIKE TO PURCHASE
    MODELS
    ACCESSORIES
    Call For Price
    Call For Price
    Copyright © 2026 Abq Industrial