This product has been discontinued
Product Description
This product has been replaced by the Mark-10 TSA750
Mark-10 TSA Manual Lever Operated Test Stand

Force Gauge sold Separately
750lb Capacity

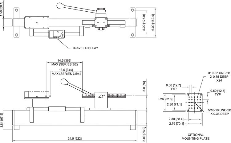
6.00" Maximum Travel

Mar-10 TSA - Vertical
Mark-10 TSAH - Horizontal

The Mark-10 TSA Manual Lever Operated Test Stand is the perfect solution for quick-action pull testing and compression testing of up to 750 lb of tensile or compressive force. Made of rugged, machined aluminum components, this test stand is durable enough for the factory floor, yet precise enough for laboratory environments. The Mark-10 TSA Manual Lever Operated Test Stand includes adjustable travel stops and a frictional low force brake. Available in vertical and horizontal orientations.

*Show with optional equipment. Force Gauge, Digital Display and Grips are sold separately

Features


  • Precision ground rack and pinion mechanism
  • Threaded holes for bench mounting
  • Loading lever can be positioned in 30° increments for ease of operation
  • Adjustable travel stops
  • Adjustable wear plates for smooth, precise motion
  • Optional digital travel display
  • Friction brake

Specifications


Maximum force750 lb
Maximum travel, with stops3.75" [95 mm]
Maximum travel, without stops6" [152 mm]
Travel rate3" [76.2 mm]/lever revolution
WeightTSA: 16 lb
TSAH: 13 lb
Warranty3 Years

ADD TO CART THE ITEMS YOU WOULD LIKE TO PURCHASE
MODELS
ACCESSORIES
$957.00
$209.00
Discontinued
Copyright © 2026 Abq Industrial