$325.00
    warranty 1 year
    Product Description
    Mark10 G1001 Wire Terminal Grip

    Pull testing of wire and tube terminals, crimps, and other slender samples

    200 lb capacity

    Mark-10 G1001: 0.125" max. dia. / AWG 50 - AWG 8 (approximate)
    Mark-10 G1001-1: 0.125" - 0.250" dia. / AWG 8 - AWG 2 (approximate)
    Mark-10 G1001-2: 0.250" - 0.375" dia. / AWG 2 - AWG 0/2 (approximate)

    The Mark-10 G1001 wire terminal grips are designed for securing wire terminals, cables, connectors, and other samples for pull testing. Two wire diameter capacities are available, 0.125", 0.25" and 0.375". Use these grips with the Mark-10 G1002 dual roller grip, and choice of test stands and force gauges to create complete terminal and crimp testing systems

    Specifications


    Capacity200 lb
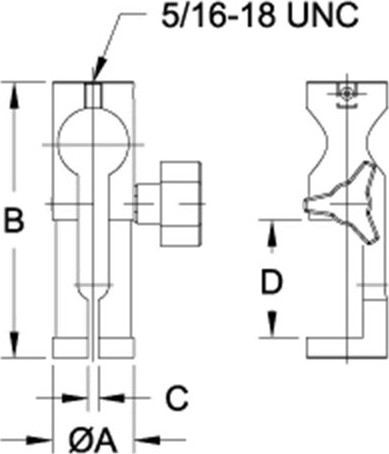
    Thread#10-32 UNF
    Dimensions3.43"L x 1"D
    Weight.29 lb
    Sample SizeG1001: 0.125" max. dia. / 0 - AWG 8
    G1001-1: 0.125" - 0.250" dia. / AWG 8 - 2
    G1001-2: 0.250" - 0.375" dia. / AWG 2 - 0/2

    Dimensions


    Model No.G1001G1001-1G1001-2
    Capacity IbF (N)200 (1000)200 (1000)200 (1000)
    Weight Ib0.29 (0.13)0.29 (0.13)0.29 (0.13)
    ø A1.00 (25.4)1.00 (25.4)1.00 (25.4)
    B3.40 (86.4)3.40 (86.4)3.40 (86.4)
    C0 - 0.125 (0 - 3.1)0.125 - 0.25 (3.1 - 6.3)0.25 - 0.375 (6.3 - 9.5)
    D1.45 (36.8)1.45 (36.8)1.45 (36.8)
    Click image to enlarge

    Includes 5/16 - 18M to # 10 - 32F adapter and # 10 - 32 M/M stud with jam nuts


    Copyright © 2026 Abq Industrial