$875.00
    warranty 1 year
    Product Description
    The SHIMPO TRC torque checker is a user friendly instrument for calibrating torque tools
    Precise ± 0.5% F.S. ± 1 digit accuracy ensures exact results

    The SHIMPO TRC torque checker is a user friendly instrument for calibrating or measuring torque values. A single button process does it all. Zero, Test, Store, and repeat. In addition to Average, Maximum, Minimum, and Peak values, the TRC features Red/Green/Red LED's (HI-GO-LO) and audible alarm. It's wide 3,000 data points storage capacity makes large batch testing possible, insuring overall product quality.

    The TRC torque Checker is USB capable for easy PC/Software interface. Combined with the free DigiTorque_TRC software, graphical display and statistical analysis are performed and collected automatically.

    The TRC is a portable device powered with internal rechargeable batteries or through a universal AC adapter/charger. The TRC's small foot print saves valuable lab space. It's low profile, (3.82") rugged design, and NIST traceable calibration certificate promotes proper calibration procedures, insuring overall product quality.

    Features


    • Precise ± 0.5% F.S. ± 1 digit accuracy ensures exact results
    • Variety of applications met with ranges from 17.7 in·lb (2 N·m) all the way to 88.5 in·lb (10 N·m)
    • Memory function allows convenient storage of up to 3000 readings for later retrieval
    • Large, easy to read LCD displays torque values in four selectable engineering units
    • Durable, cast-aluminum heavy-duty construction withstands demanding wear and tear
    • PC connectivity with USB interface and free Digitorq software enables data analysis and graphing on Microsoft® Excel
    • Truly portable with compact, light-weight design and internal, rechargeable batteries
    • Recharge batteries with included 120/240V AC adapter/charger or utilize adapter for continuous use
    • Change measuring modes to capture Average, Maximum or Minimum values in both clockwise (CW) & counterclockwise (CCW) directions
    • Speed up large batch tests with the integral Red/Green LED comparator that responds in accordance to pre-programmed tolerances
    • Includes Factory Certificate, CE Approval and 1 Year Warranty!

    Specifications


    Accuracy ±0.5% / F.S.
    Display Main display: 4-digit LCD display, Character height 0.5” (12 mm); Sub display: 3-digit, 0.29” (7 mm)
    Comparator Display LED indicates “NG”, “OK”, with adjustable alarm
    Display Update Time Select from 0.125 sec (8 times/sec), 0.25 sec (4 times/sec), 0.5 sec (2 times/sec), 1 sec (1 time/sec)
    Measuring Mode MEAN: displays torque value in real time; PEAK: displays peak torque value
    Overload 120% of full scale
    Sampling 100 Hz
    Memory Total 3,000 data (10 sets with 300 data point per set)
    Data Output USB1.1 (data download by special software)
    Power NiMH rechargeable battery, and AC adapter 100-240vac, 50/60 Hz
    Operating Environment 32 -104˚F (0 - 40˚C) 35 - 85%RH (non condensing)
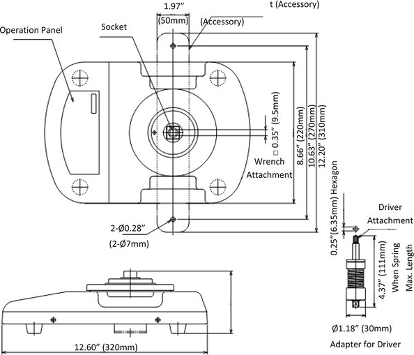
    Dimensions 12.60” x 8.66” x 3.82” (320 x 220 x 97 mm)
    Product Weight Approx. 13.25 lb (6.0 kg)
    Package Weight Approx. 16.2 lb (7.35 kg)
    Software DigiTorque TRC Free Download from www.shimpoinst.com
    Included Accessories Torque adapter for driver, AC adapter/charger, USB cable, Mounting bracket, bolts for mounting bracket (2 pcs)
    Certifications CE
    Warranty 1 year

    Ranges


    Model Capacity
    TRC-2 17.70 in·lb | 20.39 kg·cm | 200.0 N·cm | 2.000 N-m
    TRC-5 44.25 in·lb | 50.99 kg·cm | 500.0 N·cm | 5.000 N-m
    TRC-10 88.5 in·lb | 102.0 kg·cm | 1000 N·cm | 10.00 N-m

    Downloads


    Shimpo TRC-2 Digital Torque Tester - Data Sheet
    Shimpo TRC-2 Digital Torque Tester- Instruction Manual

    Copyright © 2026 Abq Industrial