USB, RS-232 Mitutoyo, analog, set point outputs
Break detection
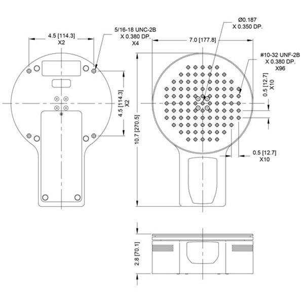
Series TT05 universal torque testers can be used for a range of applications up to 100 lbFin [11.5 Nm]. The stainless steel loading surface features a matrix of threaded holes, ideal for accommodating specialized fixtures and attachments. The testers' rugged design and simple, intuitive operation allow for use in laboratory and production environments.
Accuracy of ±0.3% and blazingly fast sampling rate of 7,000 Hz ensure reliable and consistent test results, even in quick-action applications. Password protection is provided to prevent unauthorized changes to settings and calibration.
The TT05 includes a range of sophisticated productivity-enhancing features, including USB, RS-232, Mitutoyo, and analog outputs, automatic data output and zeroing upon sample break, memory storage for 1,000 readings, pass/fail indicators and outputs, and more. First / second peak torque detection is useful for torque tool testing, tamper evident closure testing, and other applications.
Series TT05 testers include MESURTM Lite data acquisition software. MESURTM Lite tabulates continuous or single point data. Data stored in the TT05’s memory can also be downloaded in bulk. One-click export to Excel allows for further data manipulation.
Kit Contents
- Mark-10 TT05 Universal Torque Tester
- USB cable
- AC adapter
- Battery
- Resource CD
- Certificate of calibration without data
Features
- Stainless steel loading plate with #10-32 threaded holes accommodates fixtures and attachments
- Threaded holes are not drilled through the plate, for protection from debris and liquid
- USB, RS-232, Mitutoyo, and analog outputs
- Automatic output, data storage, and zeroing upon sample break helps automate testing processes
- First / second peak detection for torque tool testing, bottle cap testing, and other applications
- 1,000-point data memory with statistics and outputs
- Password protection prevents unauthorized changes
- Programmable set point indicators and outputs for pass/ fail determination
- High-speed 7,000 Hz sampling rate accurately captures peak torque values
- Configurable audio alarms and key tones
- 5 selectable units of measurement
- MESURTM Lite data collection software included
Specifications
| Accuracy | ±0.3% of full scale |
| Sampling Rate | 7,000 Hz |
| Power | AC or rechargeable battery. Multi-step low battery indicator is displayed, tester shuts off automatically when power is too low. |
| Battery Life | Backlight on: up to 7 hours of continuous use Backlight off: up to 24 hours of continuous use |
| Measurement Units | ozFin, lbFin, lbFft, Nm, Ncm |
| Outputs | USB / RS-232: Configurable up to 115,200 baud. Mitutoyo: Serial BCD suitable for all Mitutoyo SPC-compatible devices. Analog: ±1 VCD, ±0.25% of full scale at capacity. General purpose: Three open drain outputs, one input. Set points: Three open drain lines. |
| Safe Overload | 150% of full scale (display shows "OVER" at 110% and above) |
| Weight | 10.9 lb (4.9 kg) |
| Included Items | Universal voltage AC adapter, battery, quick-start guide, USB cable, resource CD (USB driver, MESURTM Lite software, MESURTMgauge DEMO software, and user's guide), and NIST-traceable certificate of calibration (data is available for an additional charge). |
| Warranty | 3 years |
Torque Ranges
Downloads