Call for price
    warranty 1 year
    Product Description
    Available Rollers for Hand-Held Tension Meters

    Available Rollers for Hand-Held Tension Meters


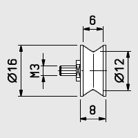
    Standard Roller R12005

    hard coated aluminum
    for line speeds up to max. 2000 m/min

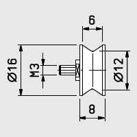
    Code K R12008

    hard coated aluminum
    for line speeds up to max. 3500 m/min

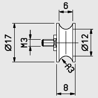
    Code H R12308

    hard coated aluminum
    for line speeds up to max. 5000 m/min

    model DX2-120 and higher

    Code T R12111

    plastic (POM) black
    for line speeds up to max. 1000 m/min

    Code W R12110

    nickel-plated steel
    for line speeds up to max. 1000 m/min

    Code ST R12116

    hardened steel
    for line speeds up to max. 1000 m/min

    Code B R12118

    tempered steel
    for line speeds up to max. 1000 m/min

    Code AS R12232

    hard coated aluminum
    for line speeds up to max. 1000 m/min

    gauge without filament guide
    (model DX2-120 and higher)

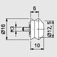
    Code R3 R12006

    hard coated aluminum
    for line speeds up to max. 2000 m/min


    Copyright © 2026 Abq Industrial