$1,220.00
    warranty 1 year
    Product Description
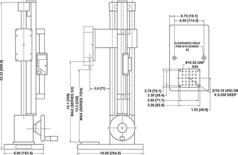
    Mark-10 ES30 Hand Wheel Test Stand, 200 Lb Capacity

    Force Gauge sold Separately
    200lb Capacity

    13" Maximum Travel

    The Mark-10 ES30 Hand Wheel Test Stand is a versatile and economical solution for most compression and tensile testing applications. It can accept a wide variety of sample shapes and sizes and can be configured in many positions due to modular design. Precision hand wheel operation enables the user to easily and accurately test up to 200 lb of force. Use the Mark-10 ES30 with a MG series force gauge and grips to create a complete testing solution.

    Upgradeable to a motorized test stand by installing a motor drive kit.

    *Force Gauge and Grips Not Included

    Kit Contents


    • Mark-10 ES30 Hand Wheel Test Stand
    • G1024 extension rod, 2"
    • G1028 small hook
    • G1038 medium hook
    • G1009 compression plate, 2" dia.
    • G1039 coupling, #10-32F/F
    • G1030 thread adapter, 5/16-18M to #10-32F
    • Allen wrench set
    • Hand wheel
    • Thumb screw for force gauge
    Click image to enlarge

    Features


    • Compatible with all Mark-10 force gauges, accessories and grips
    • Mounting holes for bench mounting Modular design: base may be removed and the stand may be used as part of a larger system. It also provides for alternative mounting
    • Removable base plate with 25 #10-32 threaded holes for fixture mounting
    • Competitor force gauge mounting kits available

    Specifications


    Maximum force200 lbF [1 kN]
    Maximum travel13" [330 mm]
    Travel rate0.05" [1.27 mm] / hand wheel revolution

    Downloads


    Mark-10 ES30 Hand Wheel Test Stand - Data Sheet
    Mark-10 ES30 Hand Wheel Test Stand - Instruction Manual

    ADD TO CART THE ITEMS YOU WOULD LIKE TO PURCHASE
    MODELS
    ACCESSORIES
    $2,090.00
    $242.00
    $303.00
    Copyright © 2026 Abq Industrial