Call for price
    warranty 1 year
    Product Description
    EPS is a control dancer and used for tension control on winding of endless material. It is an active dancer system

    EPS is a control dancer and used for closed-loop tension control on winding of endless material. It is a considered and "active" dancer control system. EPS is operated as an electrically controlled P/F actuator providing a large range of adjustment for the user-set desired tension level

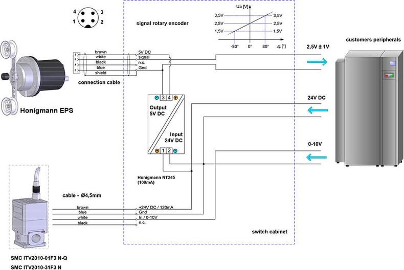
    The position of the dancer is measured by means of a rotary encoder, giving a standard output signal specially-designed to be able to maintain precise tension control even under high-dynamic speed variations

    Click image to enlarge

    Info


    Functionality using the example of a typical unwinding process: 
    At the unwinder a motor-driven chuck supports the material roll. The following process needs material feeding with process-specific dynamic and well-defined tension. 

    EPS serves as link between unwinder and process.

    Click image to enlarge
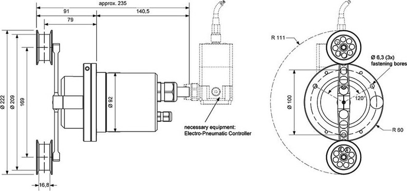
    • The material is guided S-shaped over the dancer pulleys.
    • A torque, which acts on the dancer, is generated electropneumatically.
    • Tension Fz is proportional to the upcoming torque.
    • The actual rotation angle of the dancer is output as electric signal.
    • The dancer is in position control

    Material accumulator
    Additionally EPS functions as an accumulator. It can dispense or receive the material depending on the dancer position.

    Click image to enlarge

    Downloads


    EPS Electropneumatic Actuator - Data Sheet
    EPS Electropneumatic Actuator - Dimensions

    Copyright © 2026 Abq Industrial